  
|
Panoramica e uso/Overview and purpose---------------------------------------------------◆◆
|
| Il misuratore di flusso elettromagnetico è utilizzato per misurare il flusso volumetrico di liquidi conduttori elettrici e liquidi di pasta in tubazioni chiuse, applicabile all'industria petrolchimica, metallurgica dell'acciaio, drenaggio dell'acqua, irrigazione idrica, trattamento dell'acqua, controllo ambientale delle acque reflue totali, elettricità, carta, alimentari e altre industrie. |
Principio di funzionamento/working principle-----------------------------------------------------------◆◆
|
| Il principio di misurazione del flussometro elettromagnetico si basa sulla legge dell'induzione elettromagnetica di Faraday. Il tubo di misura del portatometro è un tubo corto in lega non conduttiva rivestito con materiale isolante. Due elettrodi attraversano la parete del tubo lungo il diametro del tubo e sono fissati sul tubo di misura. La testa dell'elettrodo è praticamente pari alla superficie interna della rivestimento. Quando la bobina di stimolazione è stimolata da un impulso di onda bidirezionale, si genera un campo magnetico di lavoro con una densità di flusso magnetico di B in direzione verticale all'asse del tubo di misura. A questo punto, se un fluido con una certa conduttività elettrica passa attraverso il tubo di misura, la linea magnetica di taglio induce la potenza elettrica E. La potenza elettrica E è proporzionale alla densità di flusso magnetico B, al prodotto del diametro interno del tubo di misura d e alla velocità media di flusso V. La potenza elettrica E (segnale di flusso) è rilevata dall'elettrodo e inviata al convertitore attraverso il cavo. Dopo aver amplificato il segnale di flusso, il convertitore può visualizzare il flusso di fluido e può emettere impulsi, simulare correnti e altri segnali per il controllo e la regolazione del flusso. |
Nella figura 1-1, quando il fluido conduttore ha una velocità media di flusso V ( Il diametro interno di una coppia di elettrodi di misura è D ( Il tubo isolante è in movimento e il tubo è in un campo magnetico con un'intensità di induzione magnetica uniforme di B (T). Quindi, la potenza elettrica (E) verticale al campo magnetico e alla direzione del flusso viene rilevata su una coppia di elettrodi. La legge dell'induzione elettromagnetica può essere scritta come (1): |
|
|
Composizione strutturale/Structural components-----------------------------------------------------◆◆
|
 |
Caratteristiche del prodottoProduct features-----------------------------------------------------------◆◆
|
| Struttura strumentale semplice, affidabile, senza componenti mobili, lunga vita lavorativa. |
| 2. nessuna componente di arresto del flusso, nessuna perdita di pressione e fenomeno di blocco del fluido. |
| Nessuna inerzia meccanica, risposta rapida, buona stabilità, può essere applicato alla rilevazione automatica e al sistema di controllo del processo di regolazione. |
| La precisione della misurazione non è influenzata dal tipo di mezzo misurato e dai suoi parametri fisici come temperatura, viscosità e pressione. |
| La tenuta progettata separatamente per la connessione del sensore e della testa superficiale impedisce che l'umidità esterna entri nella testa superficiale e nel sensore dalla connessione. |
| I cavi magnetici e gli elettrodi utilizzano cavi di schermo a nucleo singolo di alta qualità per ridurre le interferenze e migliorare la pulizia del segnale, migliorando così la precisione della misurazione. |
| La vernice superficiale del sensore utilizza vernice di fluorocarburo metallico, il legame di fluorocarburo sulle molecole di resina di fluorocarburo nella vernice di fluorocarburo metallico può resistere alla degradazione dei raggi ultravioletti, mostrando una resistenza estremamente eccellente, resistenza agli raggi ultravioletti e resistenza all'impermeabilità, rendendo il rivestimento di vernice di fluorocarburo metallico a lungo termine perfetto come nuovo, riducendo i requisiti di manutenzione. |
| Con misurazione del flusso bidirezionale, funzione di accumulo totale bidirezionale, l'interno ha tre accumulatori che possono visualizzare rispettivamente il valore accumulato positivo, il valore accumulato inverso e il valore accumulato differenziale. |
| La frequenza può essere programmata a bassa frequenza magnetico a tre valori, migliorando la stabilità della misura del flusso e la bassa perdita di potenza. |
| Adottando un nuovo tipo di integrazione ARM + CPLD a 32 bit, velocità di calcolo rapida e alta precisione di calcolo. |
| Trattamento totale digitale, forte resistenza alle interferenze e misurazione affidabile. |
| Alimentazione di commutazione EMI ultrabassa, ampia gamma di variazione di tensione di alimentazione applicabile, alta efficienza, piccolo aumento di temperatura, buone prestazioni EMC. |
| Operazione del menu in inglese, facile da usare, facile da usare, facile da imparare e da capire. |
| Display OLED ad alta definizione a larga temperatura. |
| Utilizzando il giudizio intelligente, senza impostazioni di correzione di misura, l'allarme del tubo vuoto e l'applicazione di rilevamento degli elettrodi sono più convenienti. |
| Tecnologia avanzata di "gestione degli errori grossi", in grado di rimuovere le interferenze di punta di misurazione di fluidi come il slurry, ridurre il battito di uscita, mantenere la misurazione di alta precisione e rendere l'uscita più stabile. |
| Funzione di auto-esame e auto-diagnosi. |
| Nuovo modo di gestire la tastiera per evitare che il funzionamento della tastiera influisca sulla misurazione. Possibilità di inserire e rimozionare il menu per semplificare l'impostazione dei parametri. |
| Con il chip dedicato alla corrente AD421, l'uscita di corrente 4-20mA è più stabile. |
|
Parametri tecniciTechnical parameters-------------------------------------------------------◆◆
|
| Nome |
Focmag3102 misuratore di flusso elettromagnetico |
| Diametro nominale |
DN10-DN1800 |
| Conduttività media |
≥5uS/cm |
| Precisione |
Gradi 0,5, 1,0 (a seconda del calibro) |
| Gamma di velocità |
0,5-10m/s raccomandato 1-5m/s |
| Temperatura ambiente |
Sensore: (-40 ~ + 80) ℃, convertitore: (-l5 ~ + 50) ℃ |
| Temperatura del mezzo |
≤100℃ |
| Materiale di rivestimento |
Tetrafluoroetilene, polineoprene, poliammoniaca, poliperfluoroetilene (F46) PFA |
| Materiale dell'elettrodo |
316L、 Lega Hash C, Lega Hash B, Lega di titanio, tantalio, platino/iridio, Carburo di tungsteno rivestito in acciaio inossidabile |
| Classe di pressione |
DN10-DN400: 1.6MPa DN450-DN600: 1.0MPa ≥DN700: 0.6Mpa Specifiche speciali |
| Materiale della cassa |
Acciaio al carbonio Acciaio inossidabile |
| Modulo di installazione |
integrato; Divisione |
| Comunicazione |
RS485 (protocollo Modbus) HART |
| Segnale di uscita |
Isolamento completo (corrente 4-20mA, pulso, allarme limite superiore e inferiore) |
| Resistenza al carico |
4-20mA è 0-750Ω |
| Consumo di energia |
≤15W |
| Alimentazione |
220V AC 50HZ、24V DC |
| Visualizzazione del monitor |
Flusso istantaneo, velocità, percentuale, rapporto tubo vuoto, positivo. Accumulazione inversa, allarme |
| Livello di protezione |
IP65 IP68 (richiede personalizzazione speciale) |
| Classe di protezione contro esplosioni |
ExⅡBT6 Gb |
| Interfaccia elettrica |
M20*1.5 |
|
| |
| Calibro |
Gamma di misurazione |
Calibro |
Gamma di misurazione |
Calibro |
Gamma di misurazione |
| (mm) |
(m 3 /h) |
(mm) |
(m 3 /h) |
(mm) |
(m 3 /h) |
| DN10 |
0.14 ~ 1.40 |
DN125 |
22.08~ 441.56 |
DN700 |
692.37 ~13847.40 |
| DN15 |
0.32 ~ 6.36 |
DN150 |
31.79~ 635.85 |
DN800 |
904.32~ 18086.40 |
| DN20 |
0.57~ 11.30 |
DN200 |
56.52 ~ 1130.4 |
DN900 |
1144.5~ 22890.60 |
| DN25 |
0.88~ 17.66 |
DN250 |
88.31 ~ 1766.25 |
DN1000 |
1413.0~ 28260.00 |
| DN32 |
1.45~ 28.94 |
DN300 |
127.17~ 2543.40 |
DN1200 |
2034.7~ 40694.40 |
| DN40 |
2.26~ 45.22 |
DN350 |
173.09~ 3461.85 |
DN1400 |
2769.4~ 55389.60 |
| DN50 |
3.35~ 70.65 |
DN400 |
226.08~ 4521.60 |
DN1600 |
3617.2~ 72345.60 |
| DN65 |
5.97~ 119.40 |
DN450 |
286.31~ 5722.65 |
DN1800 |
4578.1~ 91562.40 |
| DN80 |
9.04~ 180.86 |
DN500 |
353.25~ 7065.00 |
|
|
| DN100 |
14.13 ~ 282.60 |
DN600 |
508.68~ 10173.6 |
|
|
|
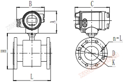
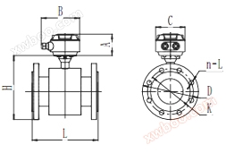
Dimensioni del prodotto/Product dimensions-----------------------------------------------------◆◆
|
| Tipo unico |
 |
A=155mm |
| B=200mm |
| C=240mm |
| Altezza totale = H+A |
| Tipo di divisione |
 |
A=85mm |
| B=155mm |
| C=115mm |
| Altezza totale = H+A |
|
| |
| Diametro nominale DN |
Classe di pressione |
Diametro esterno della flangia D |
Diametro circolare centrale del foro K |
Foro n-L |
Lunghezza totale L |
Altezza H |
Peso di riferimento kg |
| 10 |
PN40 |
90 |
60 |
4-φ14 |
200 |
190 |
10 |
| 15 |
PN40 |
95 |
65 |
4-φ14 |
200 |
190 |
10 |
| 20 |
PN40 |
105 |
75 |
4-φ14 |
200 |
190 |
10 |
| 25 |
PN40 |
110 |
85 |
4-φ14 |
200 |
200 |
10 |
| 32 |
PN40 |
140 |
100 |
4-φ18 |
200 |
205 |
11 |
| 40 |
PN40 |
150 |
110 |
4-φ18 |
200 |
215 |
12 |
| 50 |
PN40 |
165 |
125 |
4-φ18 |
200 |
220 |
15 |
| 65 |
PN16 |
185 |
145 |
4-φ18 |
200 |
240 |
16 |
| 80 |
PN16 |
200 |
160 |
8-φ18 |
200 |
255 |
18 |
| 100 |
PN16 |
220 |
180 |
8-φ18 |
250 |
270 |
20 |
| 125 |
PN16 |
250 |
210 |
8-φ18 |
250 |
300 |
25 |
| 150 |
PN16 |
285 |
240 |
8-φ22 |
300 |
330 |
30 |
| 200 |
PN16 |
340 |
295 |
12-φ24 |
350 |
390 |
45 |
| 250 |
PN16 |
405 |
355 |
12-φ26 |
450 |
450 |
65 |
| 300 |
PN16 |
460 |
410 |
12-φ28 |
500 |
500 |
79 |
| 350 |
PN16 |
520 |
470 |
16-φ30 |
550 |
520 |
95 1 |
| 400 |
PN16 |
580 |
525 |
16-φ32 |
600 |
635 |
40 |
| 450 |
PN10 |
615 |
565 |
20-φ26 |
600 |
685 |
150 |
| 500 |
PN10 |
670 |
620 |
20-φ26 |
600 |
750 |
170 |
| 600 |
PN10 |
780 |
725 |
20-φ30 |
600 |
830 |
200 |
| 700 |
PN6.0 |
860 |
810 |
24-φ26 |
700 |
890 |
335 |
| 800 |
PN6.0 |
975 |
920 |
24-φ30 |
800 |
1095 |
440 |
| 900 |
PN6.0 |
1075 |
1020 |
24-φ30 |
900 |
1195 |
568 |
| 1000 |
PN6.0 |
1175 |
1120 |
28-φ30 |
1000 |
1295 |
758 |
| 1200 |
PN6.0 |
1405 |
1340 |
32-φ33 |
1200 |
1395 |
875 |
| 1400 |
PN6.0 |
1630 |
1560 |
36-φ36 |
1400 |
1595 |
1235 |
| 1600 |
PN6.0 |
1830 |
1760 |
40-φ36 |
1600 |
1700 |
1650 |
| 1800 |
PN6.0 |
2045 |
1970 |
44-φ39 |
1800 |
1930 |
1790 |
|
| Tutti i dati della tabella sopra sono basati solo su sensori standard |
| Altri gradi di pressione non elencati, le dimensioni possono essere diverse |
| Per i sensori di calibro più piccolo, le dimensioni della testa di superficie possono essere più grandi del sensore |
| Nota: le dimensioni di cui sopra sono dimensioni di riferimento, il valore può variare se si dispone di una selezione speciale |
|
Selezione dei prodotti/product selection----------------------------------------------------------◆◆
|

|
| |
| Materiale di rivestimento |
Caratteristiche principali |
Temperatura media massima |
Scopo di applicazione |
| Tipo unico |
Tipo di separazione |
| Politetrafluoroetilene (F4) |
1. è il tipo di plastica più stabile per le proprietà chimiche, è resistente all'acido cloridrico, all'acido solforico, all'acido nitrico e all'acqua reale bollenti, ma anche agli alcali concentrati e a vari solventi organici. Impossibile alla corrosione di trifluoruro di cloro, trifluoruro di cloro ad alta temperatura, fluoro liquido ad alta velocità, ossigeno liquido e ozono. |
70℃ |
100 ℃ 150 ℃ (richiede ordine speciale) |
1. Medi corrosivi forti come acidi e alcali
2. Medi igienici
|
| La resistenza all'usura è inferiore alla gomma di poliuretano. |
| La resistenza alla pressione negativa è inferiore al polineoprene. |
| Poliperfluoroetilene (F46) |
|
Identico |
|
| Polifluoroetilene (Fs) |
Il limite massimo di temperatura applicabile è più basso rispetto al tetrafluoroetilene, ma il costo è anche più basso. |
80℃ |
|
| Polineoprene |
1. ha eccellente elasticità, alta forza di rottura, buona resistenza all'usura. |
80 ℃ 120 ℃ (ordine speciale richiesto) |
Acqua, acque reflue, fanghi resistenti all'usura |
| 2. resistente alla corrosione di media acidi, alcali e salini a basse concentrazioni generali, non resistente alla corrosione di media ossidanti. |
| gomma poliuretanica |
1. resistenza all'usura estremamente forte. |
80℃ |
Polpa minerale, polpa di carbone, fango neutro |
| La resistenza alla corrosione è inferiore. |
|
| |
| Materiale dell'elettrodo |
Resistenza alla corrosione e all'usura |
| Acciaio inossidabile 0Cr18Ni12Mo2Ti |
Utilizzato per l'acqua industriale, l'acqua domestica, le acque reflue e altri mezzi con una debole corrosione, è adatto per il petrolio, l'industria chimica, l'acciaio e altri settori industriali e comunali e ambientali. |
| Lega Hash B |
Tutte le concentrazioni di acido clorico sotto il punto di ebollizione hanno una buona resistenza alla corrosione, ma anche alla corrosione di acidi non cloruri, alcali e sali non ossidanti come acido solforico, acido fosforico, acido fluoridrico e acidi organici. |
| Lega Hash C |
Resistente alla corrosione di acidi non ossidanti, come l'acido nitrico, l'acido misto, o la miscela di acido cromo e acido solforico, nonché alla corrosione di sali ossidanti come Fe +++, Cu ++ o altri tipi di ossido, come soluzioni di ipoclorato a temperatura superiore alla normale, corrosione dell'acqua di mare. |
| titanio |
Resistente alla corrosione dell'acqua di mare, di vari cloruri e sottoclorati, di acidi ossidanti (compreso l'acido solforico fumante), acidi organici e alcali. Non è resistente alla corrosione degli acidi riduttivi più puri (come l'acido solforico, l'acido cloridrico), ma quando l'acido contiene un ossidante (come l'acido nitrico, Fe +++, Cu ++), la corrosione è notevolmente ridotta. |
| Tantalum |
Ha un'eccellente resistenza alla corrosione, molto simile al vetro. A parte l'acido fluoridrico, l'acido solforato fumante e l'alcali, è resistente alla corrosione di quasi tutti i mezzi chimici (compreso l'acido cloridrico al punto di ebollizione, l'acido nitrico e l'acido solforato a 150 ° C). Non resistente alla corrosione in alcali. |
| Lega di platino/iridio |
Resistente a quasi tutti i mezzi chimici, ma non applicabile con acqua reale e sale di ammonio. |
| Rivestimento in acciaio inossidabile |
Utilizzato per mezzi non corrosivi e resistenti all'usura. |
| Nota: a causa della varietà di mezzi, la loro corrosione varia a seconda di fattori complessi come temperatura, concentrazione, velocità di flusso, quindi questa tabella è solo per riferimento. L'utente deve scegliere in base alle circostanze reali e, se necessario, deve fare la prova di resistenza alla corrosione del materiale scelto, come la prova della parete. |
|
Modalità di installazione/Installation method---------------------------------------------------------◆◆
|
| Requisiti generali |
| a、 Per facilitare l'installazione, la manutenzione e la manutenzione, è necessario mantenere abbastanza spazio intorno al portatore |
| b、 Evitare l'installazione di misuratori di flusso in luoghi in cui le temperature variano notevolmente o le apparecchiature sono esposte a radiazioni ad alta temperatura |
| c、 Il flussimetro deve essere installato all'interno, se installato all'aperto, deve evitare la luce solare diretta, installare protettori solari se necessario |
| d、 Evitare l'installazione di misuratori di flusso in ambienti contenenti gas corrosivi |
| e、 Evitare l'installazione del portatometro in luoghi con forti fonti di vibrazione e forti campi magnetici |
| |
| Requisiti di tubo di processo |
| a、 Il diametro interno del tubo di processo superiore e inferiore e il diametro interno del portatore devono soddisfare: 0,98DN≤D≤1,05DN (DN: diametro interno del portatore; D: diametro interno del tubo di processo) |
| b、 Il tubo di processo e il portatore devono essere concentrici, con una deviazione coassiale non superiore a 0,05 DN |
|
|
|
| ★ sezione diretta |
| L'uso di segmenti di tubo diretto impedisce la creazione di vortici o distorsioni del supporto dovute all'effetto di tubi piegati, TT a tre passaggi, valvole di interruzione, tubi variabili |
 |
| |
 |
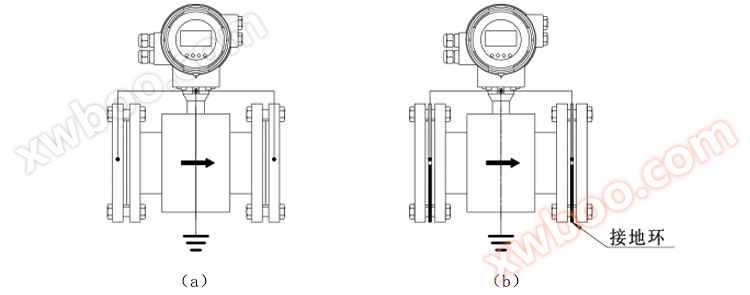
| ★ Atterramento |
| Il misuratore di flusso deve essere messo a terra come previsto per garantire il funzionamento affidabile del misuratore di flusso e evitare che l'operatore riceva shock elettrici |
 |
| a. Tubi in metallo senza rivestimento o rivestimento della parete interna, senza anelli di messa a terra. |
| b. Tubi metallici e tubi isolanti con rivestimento o rivestimento della parete interna, con anelli di messa a terra. |
|
Guida al cablaggio/Wiring guide-----------------------------------------------------------------◆◆
|
| Il cablaggio del convertitore di flusso elettromagnetico deve essere effettuato da tecnici professionisti. |
| b. tutti i cablaggi devono essere effettuati dopo aver interrotto l'alimentazione; Seguire le istruzioni per collegare correttamente. |
| c. Rotare il cucciolo del cavo e il cappuccio dell'estremità per mantenere il convertitore ben sigillato. |
| d) Un dispositivo di soppressione delle ondate deve essere installato sulle linee che potrebbero subire un'ondata di fulmine. |
| E. Tutti i cavi devono essere controllati nuovamente prima della fornitura di energia. |
|
 |
| Diagramma dei terminali di cablaggio per convertitori all'uno circolari |
Diagramma dei terminali di cablaggio per convertitori di divisori quadrati |
|
| |
| Nota importante su 4-20mA attivo-passivo: |
| Il contatore di flusso elettromagnetico è uno strumento a 4 fili diverso da uno strumento a due fili 4-20mA, lo strumento a due fili 4-20mA ha bisogno di misurare il contatore di corrente e ha bisogno di un'alimentazione esterna di 24V per funzionare correttamente, mentre il contatore di flusso elettromagnetico stesso è 4 fili 4-20mA all'interno ha già un'alimentazione di 24V senza esterno solo collegare un semplice contatore di corrente. Nessuna specifica indicazione su misura La nostra azienda produce flussimetri elettromagnetici che sono attivi 4-20mA non richiedono un'alimentazione esterna di 24V altrimenti brucerà lo strumento. |
| |
|
|
| ① cablaggio di uscita attivo 4-20mA del flussimetro elettromagnetico integrato (per impostazione predefinita, il flussimetro elettromagnetico integrato è attivo 4-20mA e il contatore di corrente dell'utente non può avere l'uscita di alimentazione) |
|
② Cablaggio di uscita passivo 4-20mA del portatore elettromagnetico integrato (4-20mA passivo del portatore elettromagnetico integrato deve essere indicato al momento dell'ordine, altrimenti è un'uscita attiva 4-20mA) |
 |
|
 |
| |
|
|
| ② Caveggio di uscita attivo 4-20mA del flussimetro elettromagnetico divisorio (il flussimetro elettromagnetico divisorio non richiede una speciale personalizzazione che supporti sia attivo che passivo 4-20mA) |
|
4-20mA passivo 4-20mA di cablaggio di uscita del portatometro elettromagnetico di flusso divisore (il portatometro elettromagnetico divisore di flusso divisore non richiede una speciale personalizzazione speciale per supportare attivo attivo attivo attivo 4-20mA passivo 4-20mA) |
 |
|
 |
| |
| In che modo le apparecchiature dell'utente determinano se hanno bisogno di uscita di corrente attiva o di uscita di corrente passiva? |
| a. Scollegare il portatometro elettromagnetico dal cavo di connessione 4-20mA del dispositivo dell'utente per garantire che il dispositivo dell'utente sia in circuito aperto. |
| b. misurare con un profilo di tensione multimetro digitale se il cavo di connessione 4-20mA dell'utente ha una tensione di circa 24V. |
| c. se c'è una tensione di circa 24V, è necessario fissare l'uscita di corrente passiva, altrimenti è necessario fissare l'uscita di corrente attiva; |
|
Modalità di trasporto/type of shipping------------------------------------------------------------◆◆
|
| a. Non sollevare il flussimetro attraverso la custodia del convertitore all'unico |
| b. Non utilizzare le sospensioni in metallo |
| c. Si prega di utilizzare il flussimetro di sospensione a cinghia corticale |
 |
|
Problemi comuni e soluzioniCommon failures and solutions----------------------------------◆◆
|
| Nome del guasto |
Soluzione |
| Convertitore senza display |
Verifica se l'alimentatore è collegato |
| 2. Controllare se il fusibile è in buona forma |
| Verificare se la tensione di alimentazione soddisfa i requisiti |
| Se tutti e tre i punti sopra sono normali, il convertitore verrà riparato in fabbrica |
| Allarme magnetico |
1. Isolamento della bobina magnetica diminuisce |
| Allarme aereo |
1) Il fluido è pieno |
| Il flussimetro è installato correttamente come richiesto |
| Conduttività del fluido misurato troppo bassa |
| Valore della valvola del tubo vuoto impostato troppo basso |
| Visualizza traffico quando non c'è traffico |
1. Valore della valvola vuota impostato troppo alto |
| 2. allarme vuoto consentito non aperto |
| L'inquinamento dell'elettrodo provoca lo spostamento zero (in questo momento il tubo è pieno) |
| L'isolamento della linea di segnale diminuisce (in questo momento il tubo è pieno) |
| Misure di flusso imprecise o grandi fluttuazioni |
1) Il fluido è pieno |
| 2. il flussimetro è messo a terra secondo le prescrizioni |
| Riduzione dell'isolamento della linea di segnale |
| Il flussimetro è installato correttamente come richiesto |
| allarme limite di traffico |
1. il flusso sul campo è superiore al valore della valvola limite di flusso, modificare il valore della valvola limite di flusso |
| Allarme limite basso di traffico |
1. il flusso sul campo è inferiore al valore della valvola limite inferiore di flusso, modificare il valore della valvola limite inferiore di flusso |
| Nessun traffico quando c'è traffico |
1. Se la valvola di chiusura è aperta |
| 2. La messa a terra del segnale |
| 3. traffico troppo basso, piccolo segnale di eliminazione impostazione troppo alta |
| Valore della valvola del tubo vuoto impostato troppo basso |
|
Imballaggio/Product packaging---------------------------------------------------------◆◆
|
 |
|
| |

|
 |
 |
| |
| |
| |
| |
| |
| |
| |
| |
| |
| |
| |